《健身房的三个教练》故事背景,呆哥兰兰最火的视频,夜来香论坛官网

  北京捷麦通信器材有限公司
设为首页 | 加入收藏
热线电话:010—63331036
首页--相关知识

单向数传电台的常用方法

1、单向数传电台的典型应用方法一:一发一收

    一发一收的应用模式在下面的领域中有广泛应用。其一是可视的遥控及有其他的反馈途径的的遥控领域。如天车遥控,机器人控制、可视监控系统的云台控制等。其二是:单向发送的各种状态数据的传输。如高炉温度、衡器的称重重量、气球上的气象参数采集等。连接关系见下图

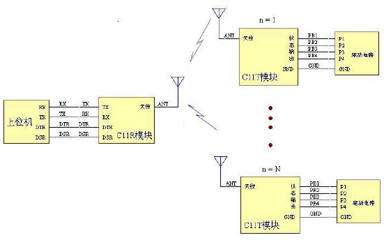
2、单向数传电台的典型应用方法二:单点发多点收

    这种方法多用于可视的遥控及有其他的反馈途径的的遥控及无反馈途径对可靠性要求不高的遥控领域。见下图


3、 单向数传电台的典型应用方法四:单点收多点发

    这种方法多用于组成所传输的数据量小、发生的概率小的报警网络示意,见下图

 
热线电话:010—63331036
点击这里给我发消息


点击这里给我打电话
主站蜘蛛池模板: 颍上县| 行唐县| 河西区| 上栗县| 民勤县| 四会市| 若羌县| 鹿泉市| 繁峙县| 石柱| 荣成市| 仁化县| 西吉县| 武汉市| 加查县| 当雄县| 阿拉善左旗| 新河县| 牡丹江市| 桦甸市| 鲁甸县| 武威市| 镇雄县| 佳木斯市| 锡林浩特市| 屏边| 嘉黎县| 和龙市| 都江堰市| 诸城市| 云霄县| 恩施市| 澄江县| 汝南县| 黔东| 柳江县| 芜湖市| 英德市| 宽城| 阿鲁科尔沁旗| 雅安市|