《健身房的三个教练》故事背景,呆哥兰兰最火的视频,夜来香论坛官网
设为首页
|
加入收藏
热线电话:010—63331036
首页
公司简介
产品介绍
应用实例
相关知识
资料下载
联系我们
网站地图
D21DL型数传电台
主要特点
适用方向
技术指标
电路框图
数传原理
安装方法
各部分作用
常用连接方法
附件功能及选择
资料下载
解决方案
PLC无线通讯
首页
--
数传电台
--
D21DL
--连接方法
◆D21DL数传电台常用连接方法:
数传电台与上位机的典型连接方法有如下三种方式
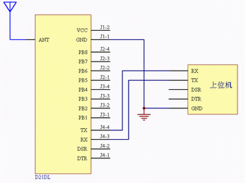
A、用户在使用中不需改变数传电台参数(例如:频率、ID地址等),例如:直接连接某些仪器、仪表等,连接电平为TTL或RS-232标准。见下图。
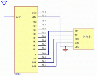
B、用户在使用中需改变数传电台参数(例如:频率、ID地址等),并使用串口,连接电平为TTL或RS-232连接,见下图。
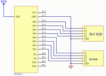
C、可直接使用D21DL数传电台做开关量的输入输出设备,在下图中通过软件设置可将PB1-PB4设置成输入端口,接开关键、报警器、仪表等驱动电路。PB5-PB8设置成输出端口接指示灯、电机控制等执行电路。
>>> 进入数传电台D21DL“附件功能及选择”页面
热线电话:010—63331036
Copyright 2005 @
www.2cedgdt0qj.cn
All rights reserved 京ICP备05015403号-1
主站蜘蛛池模板:
罗城
|
德兴市
|
化隆
|
安庆市
|
清水河县
|
湄潭县
|
顺平县
|
和硕县
|
云南省
|
新密市
|
乐东
|
逊克县
|
宜城市
|
和静县
|
宁国市
|
永新县
|
祁连县
|
松溪县
|
荣昌县
|
开封市
|
新密市
|
泰顺县
|
襄汾县
|
南部县
|
东乌珠穆沁旗
|
永胜县
|
颍上县
|
南丹县
|
古丈县
|
贵定县
|
于田县
|
兴隆县
|
梅河口市
|
蓝山县
|
荆州市
|
郸城县
|
土默特右旗
|
永清县
|
延长县
|
安达市
|
和平县
|