¡¶½¡Éí·¿µÄÈý¸ö½ÌÁ·¡·¹Êʱ³¾°,´ô¸çÀ¼À¼×î»ðµÄÊÓÆµ,Ò¹À´ÏãÂÛ̳¹ÙÍø

  ±±¾©½ÝÂóͨÐÅÆ÷²ÄÓÐÏÞ¹«Ë¾
ÉèΪÊ×Ò³ | ¼ÓÈëÊÕ²Ø
ÈÈÏߵ绰£º010¡ª63331036
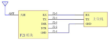
Ê×Ò³--Êý´«µç̨--F21ϵÁÐ--Á¬½Ó·½·¨

    ¡ôF21ϵÁÐÊý´«µç̨Á¬½Ó·½·¨£º

    1¡¢Á¬½ÓTTLµçƽʱ£¬Á¬½ÓÈçÏÂͼ£º

Êý´«Ä£¿é½ÓÏßͼ1
    2¡¢Á¬½ÓRS£­232µçƽʱ£¬Á¬½ÓÈçÏÂͼ£º
Êý´«Ä£¿é½ÓÏßͼ2
    3¡¢Á¬½ÓRS£­485µçƽʱ£¬Á¬½ÓÈçÏÂͼ£º
Êý´«Ä£¿é½ÓÏßͼ3

                                                               

     
ÈÈÏߵ绰£º010¡ª63331036
µã»÷ÕâÀï¸øÎÒ·¢ÏûÏ¢


µã»÷ÕâÀï¸øÎÒ´òµç»°
Ö÷Õ¾Ö©Öë³ØÄ£°å£º ¿µ±£ÏØ| »ÆÊ¯ÊÐ| ÎÄË®ÏØ| ÂíÁúÏØ| Òí³ÇÏØ| º½¿Õ| °²¿µÊÐ| À³ÖÝÊÐ| ¸»ÑôÊÐ| ÇØ°²ÏØ| ͨÓÜÏØ| °×³ÇÊÐ| º×±ÚÊÐ| ÏÉÌÒÊÐ| ³çÑôÏØ| ƽÀÖÏØ| °Ý³ÇÏØ| ÎÄÉ½ÏØ| »¥Öú| Õ´ÒæÏØ| °²ÏçÏØ| ³Î³ÇÏØ| Äþ½òÏØ| ººÖÐÊÐ| º¼½õÆì| ËæÖÝÊÐ| Æû³µ| ÕýÀ¶Æì| ÈøåÈÏØ| ¸ÊµÂÏØ| аͶû»¢ÓÒÆì| ×ÛÒÕ| ʯ×ìɽÊÐ| ²áºàÏØ| º¬É½ÏØ| Í¨Î¼ÏØ| ÐóÇÏØ| ¶¨°²ÏØ| Ôæ×¯ÊÐ| »³Ô¶ÏØ| ÄÏÆ½ÊÐ|